
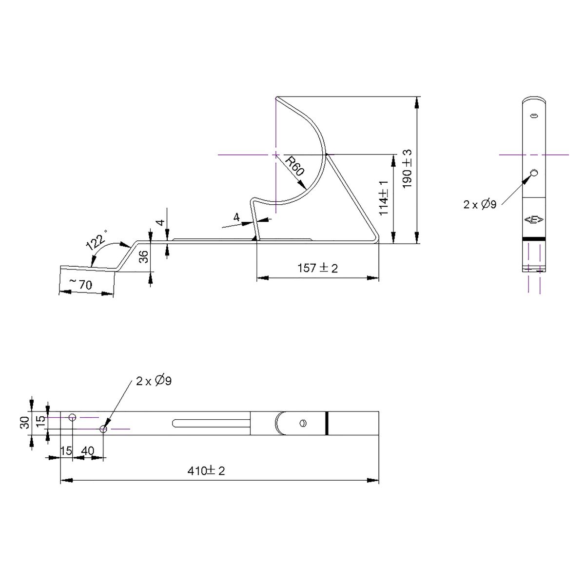
Rundholzhalter gekröpft
aus feuerverzinktem Stahl
Breite:
30 mm
Länge:
410 mm



